Гайка DIN 985 (EN ISO 10511)
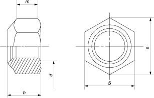
Гайка шестигранная самоконтрящаяся с неметаллической вставкой (пластмассовое кольцо), низкая.
Стандарт определяет требования к производству низкой самоконтрящейся гайки с неметаллической вставкой.
Аналоги (ISO, DIN, EN ISO):
|
Стандарт |
Наименование |
Отличие от DIN 985 |
|
EN ISO 10511 (см. ниже) |
Гайка шестигранная низкая самоконтрящаяся с крупным шагом резьбы (с неметаллической вставкой) |
В стандартах ISO новый размер под ключ (M10, 12, 14). Другие параметры гайки согласно EN ISO 10511 незначительно отличаются от DIN 985. |
DIN 6924 |
Гайка шестигранная самоконтрящаяся с неметаллической вставкой |
Параметры гайки согласно стандарта DIN 6924 незначительно отличаются от DIN 985. |
DIN 985:
|
Параметры гайки |
Номинальный диаметр резьбы d |
||||||||||||||||
|
М2,5 |
М3 |
М4 |
М5 |
M6 |
M8 |
M10 |
M12 |
M14 |
M16 |
М18 |
М20 |
М22 |
М24 |
М27 |
М30 |
M36 |
|
|
Шаг резьбы, P |
0,45 |
0,5 |
0,7 |
0,8 |
1 |
1,25 |
1,5 |
1,75 |
2 |
2 |
2,5 |
2,5 |
2,5 |
3 |
3 |
3,5 |
4 |
|
Высота гайки, h |
3,5 |
4 |
5 |
5 |
6 |
8 |
10 |
12 |
14 |
16 |
18,5 |
20 |
22 |
24 |
27 |
30 |
36 |
|
Высота резьбовой части мин., m |
2,3 |
2,4 |
2,9 |
3,2 |
4 |
5,5 |
6,5 |
8 |
9,5 |
10,5 |
13 |
14 |
15 |
15 |
17 |
19 |
25 |
|
Диаметр описанной окружности e, не менее |
5,5 |
6,01 |
7,66 |
8,79 |
11,05 |
14,38 |
18,9 |
21,1 |
24,49 |
26,75 |
29,56 |
32,95 |
35,05 |
39,55 |
45,02 |
50,85 |
60,79 |
|
Размер под ключ, S |
5 |
5,5 |
7 |
8 |
10 |
13 |
17 |
19 |
22 |
24 |
27 |
30 |
32 |
36 |
41 |
46 |
55 |
EN ISO 10511 (с крупным шагом резьбы):
|
Параметры гайки |
Номинальный диаметр резьбы d |
||||||||||||
|
М3 |
М4 |
М5 |
M6 |
M8 |
M10 |
M12 |
M14 |
M16 |
М20 |
М24 |
М30 |
M36 |
|
|
Шаг резьбы, P |
0,5 |
0,7 |
0,8 |
1 |
1,25 |
1,5 |
1,75 |
2 |
2 |
2,5 |
3 |
3,5 |
4 |
|
Высота гайки, h |
3,9 |
5 |
5 |
6 |
6,76 |
8,56 |
10,23 |
11,32 |
12,42 |
14,9 |
17,8 |
22,2 |
25,5 |
|
Высота резьбовой части мин., m |
1,55 |
1,95 |
2,45 |
2,9 |
3,7 |
4,7 |
5,7 |
6,42 |
7,42 |
9,1 |
10,9 |
13,9 |
16,9 |
|
Диаметр описанной окружности e, не менее |
6,01 |
7,66 |
8,79 |
11,05 |
14,38 |
17,77 |
20,03 |
23,35 |
26,75 |
32,95 |
39,55 |
50,85 |
60,79 |
|
Размер под ключ, S |
5,5 |
7 |
8 |
10 |
13 |
16 |
18 |
21 |
24 |
30 |
36 |
46 |
55 |
Все параметры в таблице указаны в мм.
Дополнительную информацию о технических характеристиках гайки можно получить у менеджеров компании.