Болт лемешной ГОСТ 7786-81

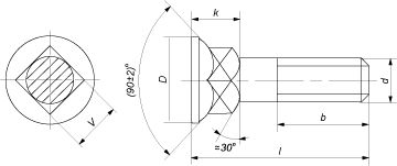
Болт лемешный с потайной головкой и квадратным подголовником ГОСТ 7786-81
используется для крепления навесного оборудования для сельскохозяйственных машин.
Марки стали: 20Г2Р, 10кп, 20кп.
Класс точности: C.
Поле допуска резьбы: 8g.
Класс прочности: 4,8; 5,8.
Близкие аналоги (ISO, DIN, EN ISO):
|
Стандарт |
Наименование |
Примечание |
|
DIN 608 |
Болт с потайной головкой и низким квадратным подголовником |
Согласно DIN 605 параметры головки незначительно выше аналогичных параметров ГОСТ 7786-81. |
|
DIN 605 |
Болт с потайной головкой и высоким квадратным подголовником |
Согласно DIN 605 параметры головки выше аналогичных параметров ГОСТ 7786-81. |
ГОСТ 7786-81
|
Параметры болта |
Номинальный диаметр резьбы d |
|||||||
|
М5 |
М6 |
М8 |
М10 |
М12 |
M16 |
М20 |
||
|
Шаг резьбы, P |
0,8 |
1 |
1,25 |
1,5 |
1,75 |
2 |
2,5 |
|
|
Диаметр головки, D |
9 |
11 |
14 |
18 |
23 |
28 |
35 |
|
|
Высота головки и подголовка, k |
4 |
5 |
6 |
8 |
10 |
12 |
15 |
|
|
Размер стороны квадартного подголовника, V |
5 |
6 |
8 |
10 |
12 |
16 |
20 |
|
|
Длина резьбовой части, b |
L≤120 |
16 |
18 |
22 |
26 |
30 |
38 |
46 |
|
L>120 |
32 |
36 |
44 |
52 |
||||
Все параметры в таблице указаны в мм.
|
Длина болта l, мм |
Теоретическая масса 1000 шт. болтов, кг. при номинальном диаметре резьбы d |
||||||
|
М5 |
М6 |
М8 |
М10 |
М12 |
M16 |
М20 |
|
|
20 |
2,908 |
||||||
|
25 |
3,498 |
5,24 |
9,66 |
16,4 |
|||
|
30 |
4,08 |
6,086 |
11,2 |
18,84 |
30,19 |
||
|
35 |
4,678 |
6,932 |
12,74 |
21,28 |
33,73 |
||
|
40 |
5,268 |
7,777 |
14,28 |
23,72 |
37,27 |
71,71 |
|
|
45 |
5,859 |
8,621 |
15,81 |
26,16 |
40,81 |
78,04 |
|
|
50 |
6,448 |
9,466 |
17,35 |
28,61 |
44,35 |
84,37 |
131,7 |
|
55 |
7,038 |
10,311 |
18,89 |
31,05 |
47,89 |
91,09 |
141,9 |
|
60 |
7,628 |
11,156 |
20,43 |
33,49 |
51,43 |
97,62 |
152,1 |
|
65 |
8,218 |
12,001 |
21,97 |
35,93 |
54,97 |
104,15 |
162,3 |
|
70 |
8,808 |
12,845 |
23,51 |
38,38 |
58,51 |
110,67 |
172,6 |
|
75 |
9,399 |
13,69 |
25,05 |
40,82 |
62,05 |
117,2 |
182,8 |
|
80 |
9,989 |
14,535 |
26,59 |
43,26 |
65,59 |
123,73 |
193,1 |
|
90 |
16,225 |
29,67 |
48,27 |
72,67 |
136,78 |
213,5 |
|
|
100 |
32,75 |
56,08 |
79,75 |
149,84 |
234 |
||
|
110 |
58,04 |
86,83 |
162,89 |
254,5 |
|||
|
120 |
62,92 |
93,91 |
175,94 |
274,9 |
|||
|
130 |
67,81 |
100,99 |
188,1 |
295,4 |
|||
|
140 |
72,69 |
108,07 |
202,05 |
315,9 |
|||
|
150 |
77,58 |
115,15 |
215,11 |
336,3 |
|||
|
160 |
122,23 |
228,16 |
356,8 |
||||
|
170 |
129,31 |
241,21 |
377,3 |
||||
|
180 |
136,39 |
254,26 |
397,7 |
||||
|
190 |
143,47 |
267,31 |
418,2 |
||||
|
200 |
150,55 |
280,36 |
438,7 |
||||
Дополнительную информацию о технических характеристиках болта можно получить у менеджеров компании