Болт лемешной DIN 608

Болт с потайной головкой и низким квадратным подголовником DIN 608
Аналоги ГОСТ: ГОСТ 7786-81.
Близкие аналоги (ISO, DIN, EN ISO):
|
Стандарт |
Наименование |
Отличие от DIN 608 |
|
DIN 605 |
Болт с потайной головкой и высоким квадратным подголовником |
Согласно DIN 608 параметры головки незначительно ниже аналогичных параметров DIN 605. |
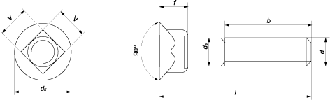
DIN 608:
|
Параметры болта |
Номинальный диаметр d |
|
|
М10 |
М12 |
|
|
Шаг резьбы, P |
1,5 |
1,75 |
|
Высота резьбовой части, b |
26 |
30 |
|
Диаметр нерезьбовой части болта, ds, не более |
10 |
12 |
|
Высота головки с подголовком, f, не более |
8,45 |
11,05 |
|
Диаметр головки, dk, не более |
19,65 |
24,65 |
|
Длина грани подголовка, v, не более |
10,58 |
12,7 |
Все параметры в таблице указаны в мм.
|
Длина болта l, мм |
Теоретическая масса 1000 шт. болтов, кг. при номинальном диаметре резьбы d |
|
|
М10 |
М12 |
|
|
25 |
18,2 |
- |
|
30 |
20,7 |
33 |
|
35 |
23,2 |
36,6 |
|
40 |
25,7 |
40,2 |
|
45 |
28,8 |
43,8 |
|
50 |
31,9 |
48,2 |
Дополнительную информацию о технических характеристиках гайки можно получить у менеджеров компании.